Asset Management

From Desal Wiki

Introduction

Many communities rely on membranes to remove pathogens from drinking water. The resilience of water recycling plants that utilise membranes is defined as the ability to meet a specified pathogen concentration log reduction in routine, as well as under unexpected circumstances. It is also an essential factor in ensuring continuous process throughput whilst remaining compliant with strict water discharge guidelines whilst ensuring public health and safety. Given the importance of meeting and maintaining both throughput and quality targets, evaluation of a treatment plant’s resilience is highly necessary and should be performed during its design stages as well as throughout its operational lifetime.

Resilience, however, has traditionally been difficult to evaluate and quantify, thus has largely been ignored leading to the tendency towards a “belt and braces” approach where multiple redundancies are put in place. This consequently results in an over-engineered design that requires a higher capital and operational expenditure over the asset’s lifetime. To date, no standard resilience modelling method has been developed for the water treatment industry therefore, highlighting the need for resilience modelling and asset management in this industry.

Objectives

  • Develop a mechanical resilience model for dual membrane plants (MF/UF + RO) using data from large scale (>10 MLD) plants with long operating history (7-10 yrs)
  • Develop “What-if” scenarios for resilience model’s sensitivity based on confirmed cases of drinking water plant failure resulting in pathogen infection
  • Quantify process resilience and predict process equipment failure using resilience model.

Asset Management and Resilience Modelling Process

  • Resilience modelling tools have been widely used in the Petrochemical, Oil and Gas, and Aviation industries to model process reliability and safety over the last 15 years. However, no standard resilience modelling method has been developed for the water industry.
  • Therefore, the objective was to develop a resilience modelling and asset management tool that could be applied to membrane water recycling plants.
  • GL Noble Denton’s (GLND) OPTAGON Simulation Package, often used in the Oil and Gas industry, was the resilience modelling tool used.
  • OPTAGON is GLND’s Monte Carlo-based Reliability, Availability and Maintainability (RAM) simulation tool which is capable of modelling the performance of asset.
  • Applying this RAM technique to the water industry required taking into account water quality compliancy and thus would then be able to quantify the water recycling system’s resilience.
  • With user-variated real-time data, OPTAGON is able to accurately predict equipment failure and system resilience.

Data Collection and Analysis

  • Equipment failure and performance data is sourced from 7 water recycling plants worldwide.
  • Relevant information is collected from a wide array of data sources.
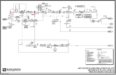
  • Cataloged equipment data is sorted and mapped according to process equipment specified in the model (Reference Plant).
  • Equipment arranged with design and operational capacities based on functional location.
  • Operation & Maintenance (O&M) Manuals provide vital information on equipment availability.
  • Operating history and logs from 64 years of cumulative operation were collected and the Mean Time Between Failure (MTBF) and the Mean Time To Repair (MTTR) values for specific process equipment and assets were calculated.
  • Equipment criticality is determined based on failure and maintenance data.


Resilience Modelling and Sensitivity Analysis

  • Mapped data becomes input variables for OPTAGON to model asset’s mechanical resilience.
  • Monte Carlo simulations of 10,000 realisations ensure confidence of modelling results.
  • Results also demonstrate equipment interdependency.
  • Modelling results would quantify the asset’s overall reliability and resilience.
  • Sensitivity analysis would further highlight which input variable would have the greatest impact on the system.
  • “What-if” scenarios would test the robustness of the reference plant and aid with process optimisation.


Resilience = ƒ (Availability, Performance)
Availability = ƒ (Reliability, Maintainability)
Risk = ƒ (Likelihood, Consequence)

Outputs

  • OPTAGON can model complex water recycling systems with high level of accuracy and consistency.
  • Modelling results would be able to quantify asset resilience, criticality and risk.
  • Resilience modelling can predict and improve asset performance throughout asset’s lifespan.
  • Sensitivity analysis would support asset management decisions and aid in efficiency and profitability.
  • Reference model can also be used to provide insight to specific failure modes and resulting effects.

Files